Содержание
Шаг 1. Необходимый инструмент и обзор лестничного проема.
Шаг 2. Начинаем изготавливать металлическую лестницу в дом на второй этаж.
Шаг 3. Завершение изготовления металлокаркаса.
Шаг 4. Начинаем обшивать деревом. Как обшить лестницу на металлокаркасе.
Шаг 5. Устанавливаем ступени и подступенники на каркас металлической лестницы.
Шаг 6. Установка балясин и поручня.Как правильно крепить балясины к лестнице.
Шаг 7. Покрытие байцем и лаком.
Добрый день! Вероятнее всего, вы нашли эту статью, потому что хотели узнать, как сделать металлическую лестницу на второй этаж. И перед вами не обычная статья, а подробная инструкция, написанная опытным специалистом по лестницам, которая поможет вам осуществить монтаж металлической лестницы самостоятельно - от расчета и составления проекта, до финальной покраски. Перед тем как приступить к этой статье, вот, посмотрите на фото лестниц, которые можно сделать с помощью данной пошаговой инструкции. Точнее конечный вариант лестницы может быть именно такой как на картинке, но мы с вами будем делать металлический каркас лестницы.

Для того, чтобы можно было самостоятельно выполнить все работы, понадобится расчет лестницы. Если он у вас есть, отлично! Читаем дальше статью и пропускаем следующее видео, если его нет, то смотрим видео, делаем замеры и расчет лестницы и после этого вы только сможете приступить к изготовлению металлического каркаса лестницы на второй этаж.
В общем, читайте дальше эту статью и можете быть уверенными что вы сделаете лестницу самостоятельно если у вас есть:
минимум - расчет лестницы на бумаге, где вид лестницы указан сверху

максимум - сначала делаете расчет лестницы, а потом делаете проект лестницы


Если пока нет расчета, нет проекта, то тоже можете читать эту статью для общего ознакомления с тем что вам нужно будет сделать, но знайте, что какие-то нюансы вам будут неизвестны (к примеру: вам будет не понятно почему именно такие размеры у косоуров, откуда у меня уже готовые элементы забежных ступеней, которые я только приставляю, прихватываю сваркой и они заходят “как по маслу” и т.д.)
Если вам удобнее не смотреть видео, а читать то можете прочитать статью на эту же тему.
Шаг 1. Необходимый инструмент и обзор лестничного проема.
Для того, чтобы смонтировать металлическую лестницу на второй этаж дома нам понадобится определенный набор инструментов. Для выполнения этих работ на профессиональном уровне требуются более продвинутые инструменты, которые представлены на рис. 1 справа. Но поскольку данная статья написана для тех, кого вряд ли можно отнести к профи в строительном деле, то более подробно остановимся на том списке, инструментов и оборудования который является необходимым и достаточным для изготовления металлической лестницы на второй этаж в бытовых целях в своем собственном доме или на даче.

Необходимый инструмент для изготовления металлической лестницы.
Итак, если вы собрались делать лестницу, проверьте, все ли у вас имеется из данного списка:

- Инверторный сварочный аппарат для сварки металлических конструкций;
- Углошлифовальная машинка для обрезки швеллеров и уголков;
- Большой и маленький уровни, для выдерживания и выравнивания конструкции;
- Фреза для обработки деревянных поверхностей и придания угловым поверхностям формы фриза;
- Рубанок;
- Дрель;
- Мелкозубчатая пила;
- Уголок;
- Кулачок для забивки анкеров;
- Не менее 8 струбцин для временного крепежа конструкции;
- Плоская и крестовая отвертки;
- Пассатижи;
- Сверла диаметром 2,5; 3; 6; 10 и 12 мм;
- Пальчиковые фрезы диаметром 8 и 10 мм;
- Радиусные фрезы и радиусные фрезерные наконечники диаметром 8 и 10 мм.
- Т-образный вороток с крестовой и плоской битами, впрочем, можно и самостоятельно изготовить аналогичную Г-образную отвертку из круглой арматуры и биты, как это сделал я.

Обзор лестничного проема
Теперь самое время познакомиться с объектом - местом в доме, где находится лестничный проем и где мы будем монтировать нашу металлическую лестницу на второй этаж. Все работы можно выполнить силами одного человека и я сам на всех этапах буду придерживаться этого правила, и вам надо будет просто следовать моим рекомендациям шаг за шагом, чтобы установить лестницу.

Вот шахта под лестницу схематично выглядит так (вид сверху), сама металлическая лестница будет Г образная, на схеме она изображена красной линией.
Предупреждаю: фото плохого качества, так как делал фото давно и на старый аппарат, но это вам не помешает.

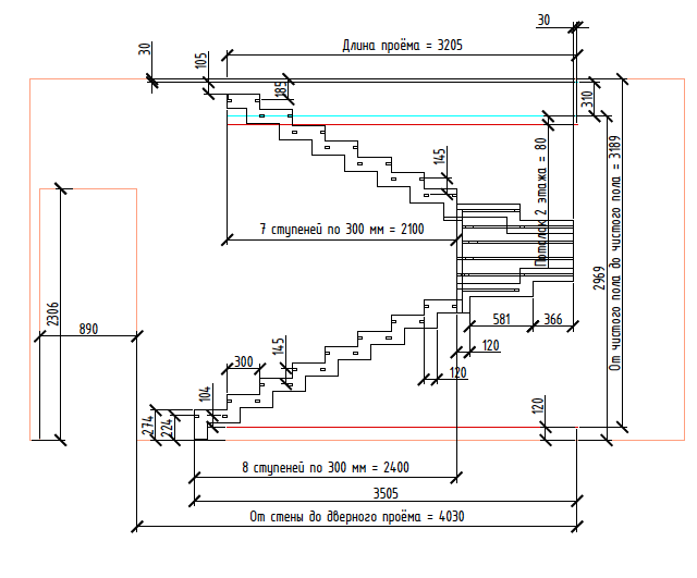
На нашем объекте мы имеем входную дверь, окно и сам лестничный проем между первым и вторым этажом.

Некоторая сложность в данном проекте заключается в том, что сам проем достаточно маленький и лестницу надо делать впритык. Поэтому не ошибиться при расчетах и разметках особенно важно.

Кстати, с типичными косяками, которые можно допустить при небрежном подходе к проектированию и расчету лестницы, вы можете познакомиться в этом нашем в этом видео.
Но вернемся к разметке. Надо отложить на стене все расстояния, расчертить ступени, чтобы избежать досадных ошибок, которые далеко не всегда легко исправить, а в некоторых случаях придется разбирать конструкцию и начинать все заново. Начинаем мы с места, где к балке косоурами будет цепляться наша будущая металлическая лестница.


На фото выше, синим цветом выделил контуры проема чтобы до конца вы поняли куда мы будем монтировать лестницу. Наверное, уже кто-то догадался что у нас выйдет Г образная лестница при таком раскладе. Вот показываю фото как она будет выглядеть, чтобы хотя бы немного вас замотивировать дочитать статью до конца не смотря на ее сложность.

На втором этаже настелена доска-времянка 20-25 мм. По условиям заказчика, на втором этаже будет настилаться пол высотой 40 мм и эту величину мы обязательно должны учесть.

Сделать это просто - накладываем перемычку и прибиваем гвоздь на уровне 40 мм от бетонного перекрытия, на которое будет стелиться пол.

От этой отметки мы и будем дальше отталкиваться при расчете высоты от пола 1 этажа до пола второго этажа.
Важно! Высоту лестницы мы измеряем не от пола до потолка перекрытия, а от пола первого этажа, включая напольное покрытие на нем, до пола второго этажа, также с учетом напольного покрытия. Как на схеме ниже.

Также учитываем, что внизу пол тоже не будет бетонным, там планируется постелить ламинат толщиной 10 мм - это также нужно принять во внимание в наших расчетах. Кстати, в нашем случае заказчик поступил очень грамотно и решил врезать лестницу в стену, привязав к балке, тем самым использовано дополнительное расстояние, равное ширине стены - так мы выиграли дополнительно около 40 см.

Итак, закрепив гвоздь, прикрепляем к нему рулетку и растягиваем до пола первого этажа. Замеряем полученное расстояние - оно равняется 3,09 м. У нас планируется 15 ступеней и 16 пролетов, поэтому делим 3,09 м на 16 и получаем 193,12 мм. К этому значению мы прибавляем 40 мм толщины пола, чтобы учесть это в процессе монтажа и получаем первое расстояние 233,12 мм. Уже к этому значению прибавляем следующую ступень - 193,12 и получаем 426,24 мм. Проделываем это несложное математическое действие до тех пор, пока не получим отметку пола и наше исходное расстояние от пола до пола в 3,09 м.


Еще раз: чтобы вы не запутались, я повторюсь. Мы сейчас просто берем высоту от чистого пола 1 этажа и чистого пола 2 этажа.
Если вам верхний абзац не понятен, не страшно! Просто вы еще не знаете как рассчитываются лестницы. Раз уж начали читать эту статью, то после ее прочтения прочитайте эту , она о том как рассчитывается лестница. А сейчас просто продолжаем читать дальше статью. Если все верно, то размечаем все эти расстояния на стене у рулетки. Вот с такими черными отметинами у нас обозначены на стене все наши ступени и расстояния между ними. Мы просто делим количество ступеней на общую высоту лестницы (те кто читал статью о расчете лестницы- вы просто берете высоту подступенника и размечаете ее на стене)


Шаг 2. Начинаем изготавливать металлическую лестницу в дом на второй этаж.
Итак, мы произвели все расчеты и теперь по имеющемуся проекту-чертежу начинаем монтаж каркаса металлической лестницы. Начинается монтаж обычно снизу вверх, то есть сначала мы устанавливаем нижний марш, потом забежные ступени, а последним этапом верхний марш.
Первым делом мы должны определить местоположение опорного столба. Согласно нашему чертежу, опорный столб должен находиться на расстоянии 880 мм от стены, и мы откладываем эти 880 мм от стены до створок будущего опорного столба. Не смотря на то, что я выше написал что устанавливаем сначала нижний марш, а потом забежные ступени нам нужно понимать к чему мы будем крепить нижний марш и мы просто напросто не сможем закрепить нижний марш с двух сторон если не будет опорного столба

этот лист чертежа выполнен зеркально следующему фото, то есть на чертеже мы смотрим на лестницу со стороны задней стены.

Нам также следует учесть толщину подступенной доски, которая будет в будущем стоять в этом месте. Для этого мы откладываем 18 мм - толщину доски и еще дополнительные 18 мм, чтобы потом было легче монтировать дерево на металлический каркас.

Теперь, согласно нашей разметки которую делали с помощью рулетки и с помощью лазерного уровня, мы находим уровень 9-й ступени, которая и будет первой забежной ступенью.

Напомню, что как это мы делали при первом шаге, счет ступеней у нас идет сверху вниз. Эти размеры мы откладываем по лазерному уровню. После этого точно также мы делаем высотную отметку следующей 10-й ступени и, соответственно, уровень следующей 11-й ступени.

Сделав высотные отметки ступеней, мы наши заготовки внешней части забежных ступеней которые выглядят как зигзаг прикладываем к стене, делаем отверстия в стене и в заготовках и закрепляем к стене (в нашем случае я просто вбиваю арматуру в стены, так как стены из пустотелых керамзитных блоков).

Вновь возвращаемся к чертежу и смотрим, какие у нас должны быть расстояния от стены до швеллера.

Соответственно, откладываем их и рисуем на стене проекцию той части лестницы, которая примыкает к стене.
Весь прообраз нашей будущей лестницы, таким образом, будет виден на одной и второй стене, вдоль которых будут идти ступени.
Все размеры мы берем исключительно на основании сделанного проекта. При этом мы одновременно проверяем, все ли учли и если, вдруг, возникли какие-то погрешности, то сразу вносим корректировки. Только после того, как мы убедились, что вся металлическая лестница в точном соответствии с проектом отображена на наших стенах, начинаем на штырях монтировать к стене ее каркас.


Хочу обратить внимание и пояснить, почему на видео и представленном выше скриншоте много насверленных отверстий, в которых имеются не вбитые штыри. В доме, где производятся работы, стены возведены из пустотелых керамзитных блоков. Поэтому не всегда с первого раза удается попасть в твердое тело, бывает, что сверло проваливается в пустоты. Решить эту проблему несложно. Если же у вас стены из кирпича полнотелого или из газобетона плотностью D500, то вам такая проблема не грозит.
Если вы попали в пустоту, то снимаем швеллер и сверлим сразу два отверстия - по одному на расстоянии примерно 7 см от первого неудачного отверстия. Одно из них обязательно будет сделано полностью в твердом теле и даст возможность надежно закрепиться.
Поэтому не следует лениться и сверлить надо сразу именно два отверстия. 
Далее нам нужно установить верхнюю часть косоура (швеллера). Перед тем как перейти к этому шагу давайте подытожим что мы до этого сделали: Мы установили нижний косоур, установили опорный столб, установили зиг заги забежных ступеней. 
После того как сделали все это, мы переходим к установке верхнего косоура. С помощью угломера замеряем угол, который следует отрезать, откладываем его на упорной части и отрезаем. 
После этого растягиваем рулетку от верхней до упорной части и замеряем расстояние, вновь с помощью угломера откладываем и отрезаем нужный угол. На обрезанном швеллере привариваем опорную пяточку, которая будет крепить верхний пролет металлической лестницы к балке. После этого замеряем расстояние между полом второго этажа и последней забежной ступени. Этот размер- это длина нашего верхнего косоура. 
Отрезаем швеллер такой длины и после этого начинаем его устанавливать. 

Последнее, что мы делаем на этом этапе, это проверяем высоту столба. Высота столба не должна быть выше уровня забежной ступени. Для проверки используем уровень. 
Высота опорного столба должна точно соответствовать уровню забежной ступени.
Если уровень показывает какие-либо отклонения, то обрезаем или наращиваем высоту столба.
Шаг 3. Завершение изготовления металлокаркаса.
Предыдущий этап мы завершили проверкой высоты опорного столба. Теперь, когда мы проверили его уровень, жестко прихватываем опорный столб времянками к швеллеру, который находится у стены, чтобы он не гулял. На самом деле мы это сделали еще на предыдущем этапе, но иногда удобнее это сделать чуть позже или чуть раньше (в зависимости от особенностей объекта) и поэтому я повторяю этот этап, для того чтобы оповестить вас о том, что на этом шаге это действие обязательно должно быть сделано. 
Если этого не сделать, то столб будет “гулять” и мы не сможем к нему привязаться. Привязавшись к опорному столбу, мы можем начинать монтаж следующих элементов несущего каркаса .
Теперь монтируем швеллер-косоур от от опорного столба к полу первого этажа. Сразу после этого проверяем уровень: на высоте опорного столба и чуть ниже.
Уровень должен показывать полное соответствие высоты косоуров по двум боковым сторонам нашей будущей лестницы.
Теперь монтируем второй верхний косоур приваривая его к опорному столбу. 

Теперь нам необходимо забить штыри в стену и жестко закрепить каркас. Однако перед этим обязательно нужно произвести обварку соединений контура лестницы. Дело в том, что когда мы станем забивать штыри в стену, они начнут уводить швеллер вверх или вниз. Идеальное отверстие в кирпичной или бетонной стене просверлить невозможно и это неизбежно.
Если не закрепить каркас сварочными швами, то швеллера при забитии штырей начнут расходиться в разные стороны.
И наоборот, когда мы сначала обвариваем стыки швеллеров, а потом забиваем штыри, то они также уводят элементы каркаса в разные стороны, но сваренные стыки в данном случае идут враспор и прочность их соединения лишь усиливается. Для таких конструкций, как лестницы, которые должны служить не один десяток лет, это важно. 
Также хочу сразу обратить внимание, что швеллера надо крепить малкой наружу. Пока подробно на этом останавливаться не буду, но в дальнейшем мы к этому еще вернемся и я объясню, почему нужно делать именно так. Чтобы не было никаких отклонений, пока оставляем на месте подпорки-времянки, которые фиксируют несущие элементы каркаса будущей металлической лестницы. После этого все обвариваем и вбиваем штыри. Сначала обвариваем, а потом вбиваем!
И как раз сейчас мы и приступим к тому, чтобы связать площадку уголками. Для начала привариваем первую перемычку на первую забежную ступень. Она должна быть смещена на 1 см в углу.
ТЕПЕРЬ ПЕРЕХОДИМ К ЗАБЕЖНЫМ СТУПЕНЯМ.
Приступаем к тому, чтобы внешнюю часть забежных ступеней соединить с опорным столбом, то есть закончить каркас забежных ступеней, будем это делать вот так.


Привариваем первую перемычку из уголка, привариваем два уха, которые впоследствии будут держать подступенник. 
Почему уголок нужно утапливать на 10 мм по отношению к опорному столбу? Потому, что в дальнейшем нужно сюда устанавливать подступенник из дерева (еще используют подступенник из МДФ) и он в данном случае имеет толщину 10 мм. 
После этого привариваем вторую перемычку, которая у нас уже приходит точно в угол опорного столба. 
Таким же образом привариваем и третью перемычку.

ВСЕ УГОЛКИ ЗАБЕЖНЫХ СТУПЕНЕЙ ОБЯЗАТЕЛЬНО ДОЛЖНЫ ВЫХОДИТЬ НА РАЗНЫЕ УГЛЫ ОПОРНОГО СТОЛБА
УСТАНАВЛИВАЕМ КАРКАС СТУПЕНЕЙ.

Теперь мы готовы к тому, чтобы начать устанавливать уголки под ступени. Начинаем мы опять с верхней части лестницы и с помощью рулетки замеряем фактическое расстояние от верхней точки швеллера до точки излома. У нас оно составило 266 см. 
На данном участке у нас будет располагаться 8 ступеней, соответственно, полученную величину в 266 см делим на 8 и получаем 33,25 см. Для удобства размечаем эти восемь отрезков, каждый по 33,25 см непосредственно на стене.
Разметку производим также, как и в самом начале, от самой верхней точки к нижней, каждый раз прибавляя 33,25 см.
Т.е., делаем первую отметку на расстоянии 33,25 см от верхней точки швеллера, вторую - 66,5 см и так далее. Аналогичные действия производим и на нижней части лестницы: от третьей перемычки до последней ступеньки - отрезка на швеллере. При соблюдении этого алгоритма мы и к точке излома швеллера, и к самой нижней точке лестницы придем без каких-либо отклонений. 
Метки на швеллере делаем с помощью чертилки, а затем, используя уровень, рисуем проекцию будущих опор под ступени непосредственно на стене. Делаем это следующим образом: подводим уровень к верхней метке на швеллере, выставляем его и чертим горизонтальную линию на стене. После этого подводим уровень к следующей метке вниз по швеллеру, выставляем уровень вертикально и чертим линию. Так мы получаем проекцию будущей ступени. Остается лишь проверить ее размеры на соответствие нашему первоначальному проекту. Замеряем, и получаем ширину ступени в 270 мм и высоту в 193 мм, что соответствует нашим первоначальным проектным расчетам. 
Уголок под основание ступени нам надо будет приварить к швеллеру, поэтому к полученному расстоянию ширины ступени в 270 мм мы прибавляем еще 70 мм и получаем 340 мм. Именно поэтому, кстати, нам и надо было крепить швеллер ровной поверхностью внутрь. Вертикальное расстояние мы, наоборот, убавляем на 1 мм и делаем его не 193 мм, а 192 мм. Те же самые расстояния восьми отрезков под ступени нам необходимо отложить и на втором, параллельном к стене швеллере.
Вновь измеряем фактическое расстояние от верхней точки до опорного столба и от опорного столба - до нижней точки.
У нас получилось, что верхняя часть дальнего швеллера оказалась длиннее закрепленного на стене на 2 см - 268 см. Разница составляет меньше 1% и ею можно пренебречь, но она должна быть равномерно распределена между всеми 8-ю ступенями пролета. Поэтому именно 268, а не 266, как ранее, делим на 8 и получаем длину отрезка, который будем откладывать - 33,5 см. Как и раньше, по привычному алгоритму начинаем откладывать отрезки от верхней точки до нижней. Размеры самого уголка-основания под ступень, который будет привариваться к швеллеру, оставляем такими же, как и у тех, что мы рассчитывали для швеллера у стены.
ПРИСТУПАЕМ К ИЗГОТОВЛЕНИЮ УГОЛКОВ ДЛЯ СТУПЕНЕЙ.

Итак, завершив все расчеты, приступаем к заготовке оснований под деревянные ступени из уголка. Сначала нарезаем заготовки из уголка общей длинной в 532 мм (340 мм + 192 мм - горизонтальные и вертикальные размеры опоры под ступени, которые мы рассчитали выше). 
После этого откладываем меньшее расстояние в 192 мм (это высота нашего подступенника или другими словами- высота каждой ступени) и размечаем перпендикулярную линию. 


Потом из точки соприкосновения проводим линию под углом в 45 градусов в одну и в другую сторону, т.е. делаем разметку, чтобы вырезать металл для изгиба уголка под 90 градусов. 

Сам вырез делаем шлифмашинкой по строго расчерченным линиям. 
В итоге получаем вырезанный угол под 90 градусов
Чтобы потом было легче согнуть металл, также шлифовальной машинкой аккуратно делаем неглубокий, не более 1,5-2 мм надпил.
И сгибаем наши заготовки и получается вот такой согнутый уголок.
Для верхней части пролета нам необходимо сделать 8 ступеней - от второго этажа до забежных ступеней. Соответственно, делаем 8 зеркальных пар уголков, которые будем приваривать к швеллерам.
8 таких уголков 
и 8 уголков зеркального тражения
Сделав все опорные пары ступеней, приступаем к монтажу, приваривая их плоскости к тыльной стороне швеллеров. Для этого последовательно крепим опоры для ступеней по сделанной на швеллерах разметке. Используем для этого струбцины. 
Постоянно контролируем уровень по всем направлениям! Два ключевых условия, которые необходимо соблюдать:
1. Четко выдерживать горизонтальный уровень между опорами под ступени по обоим бокам лестницы.
2. Вертикальные стойки опор должны точно приходиться на сделанные ранее метки на швеллере.


Самым последним этапом привариваем перемычки. 

Нижний марш сбоку
В итоге у нас получается металлический каркас лестницы на второй этаж.
Шаг 4. Начинаем обшивать деревом металлический каркас. Как обшить лестницу на металлокаркасе

У нас полностью смонтирован металлический каркас лестницы в доме на второй этаж и теперь мы приступаем к его обшивке деревом. По проекту длина ступени составляет 90 см. В качестве заготовок мы готовим доски длиною 100 см - с запасом, чтобы потом более точно их обрезать по краям и подгонять вплотную, без зазоров.

Начинать мы будем с установки пристенной и боковой досок, которые будут идти вдоль лестницы сверху вниз. Для того, чтобы правильно их вырезать, начинаем с того, что рисуем проекцию элементов пристенной доски на стене. Таких элементов у нас будет четыре: по одному на верхний и нижний пролеты и два в районе забежных ступеней.

Ставим в начале и в конце верхнего пролета подступенную доску и вплотную к подступенку устанавливаем ступень.
Карандашом на стене отмечаем места, куда у нас приходят деревянные ступени и после этого их убираем. В районе забежных ступеней для разметки можно использовать не готовые ступени, а обычные бруски той же толщины в 50 мм. Точно так же переносим на стену места, где сходятся края ступеней и подступенных досок, после чего их убираем. 
Теперь нам необходимо начертить линии верхнего створа пристенной планки, она у нас будет выступать от крайних углов ступеней на 3 см. Соответственно при помощи уголка откладываем эти 3 см от точек пересечения под углом 45 градусов к горизонтальной поверхности ступеней. По этому алгоритму проходим все точки над каждой ступенью, кроме забежных.
Вычерчиваем по полученным точкам две линии: вдоль верхнего и нижнего пролетов до начала забежных ступеней - это и есть проекции двух пристенных планок.


Проекцию пристенных досок в районе забежных ступеней делаем следующим образом. На глаз выбираем точку в углу стен, где будут сходиться линии верхней и нижней пристенных досок и по уровню чертим линии от крайних ступеней до этой точки пересечения. В точках излома между пристенными досками вдоль пролета и над забежными ступенями чертим по две параллельные линии. Проводим линии через места их пересечения - по этим линиям мы потом будем обрезать пристенные доски. 
Доска, которую мы будем использовать в качестве пристенной, имеет ширину 30 см - это много, 
нам вполне будет достаточно ширины в 22 см, это даже с запасом. Отрезанную же часть мы сможем использовать в дальнейшем для отделки забежной части. 
Лишние 8 см отрезаем обычным лобзиком на столе. 

После этого измеряем верхний угол пристенной планки. Для этого от любого подступенника на верхнем пролете проводим при помощи уровня вертикальную черту, 

замеряем по ней угол и угломером переносим его на доску, очерчиваем и отрезаем. Чтобы получить максимально точный угол и срез пристенной доски в точке излома делаем следующее. В верхней части лестницы на двух винтах прикрепляем планочку и вкручиваем в нее сбоку винт в точке пересечения планки и линии верхнего края будущей пристенной доски, проекция которой у нас отображена на стене.
К винту цепляем рулетку, растягиваем и замеряем расстояние до линии излома. Также измеряем угол и обрезаем нижнюю часть доски.
После этого пристенную доску можно крепить к несущему швеллеру. Мы это делаем при помощи саморезов под ступенями в углу через пластмассовые анкера.Теперь переходим к установке второй пристенной доски. 

Выполняем все те же операции: угломером замеряем и переносим на доску углы, которые необходимо отрезать в месте излома и в углу стены. Однако есть ряд нюансов.
Во-первых, в месте соприкосновения с уже установленной доской отпиливать угол лучше с помощью торцевой доски, чтобы срез был максимально ровным и две доски точно прилегали друг к другу стык в стык
При определенных навыках такой точности можно добиться и используя ножовку с мелким зубом. Сделать ровный срез лобзиком не получится.
Во-вторых, эту часть пристенной доски мы крепим к стене.

Используем для этого черные саморезы 65 мм и дюбеля 8 мм. Места крепления нужно рассчитывать так, чтобы они впоследствие закрывались ступенями. Доски ступеней и подступенников также закроют и зазоры между обшивкой лестницы и металлом. 
Размеры углов и расстояний со стены на заготовки можно переносить еще одним способом - при помощи листа ватмана или картона. Подсовываем лист под металлический косоур или за уже установленную пристенную доску и наносим на него нужную разметку. Тем самым получаем шаблон-лекало элемента, который планируем установить.
Не обязательно чертить на листе весь элемент целиком, какие-то его части можно перенести на заготовку с помощью измерительных инструментов.


Установив все пристенные планки, переходим к заготовке облицовочной доски, 
которая будет крепиться с внешней части лестницы. Она также имеет толщину в 15 мм. С помощью струбцин прижимаем ее к металлическому косоуру таким образом, чтобы от торца доски до косоура было 30 мм. Для того, чтобы сделать замеры, по которым мы будем затем выпиливать ступени, используем заточенную под острым углом трубку. 

Просто проводим этой трубкой по всей плоскости каркаса металлической лестницы, очерчивая ее контур на внутренней поверхности доски. Получается вот такая вот разметка.
Перед тем, как начать выпиливать внешнюю облицовочную доску, чтобы линии были более четко видны, прорисовываем их карандашом.
Также прочерчиваем линию швеллера, которая находится на 3 см от торца доски. Это поможет нам более точно закрепить доску на место. Наличие незначительных неровностей после установки значения не имеет, поскольку они будут впоследствие закрываться уголком. 
Шаг 5. Устанавливаем ступени и подступенники на каркас металлической лестницы.
Теперь начинаем устанавливать ступени и подступенники. Хочу обратить внимание, что это у нас идет предварительная сборка.
Окончательно, капитально деревянная обшивка металлических лестниц собирается только после покраски и покрытия лаком.
Перед креплением ступеней и подступенников в уголках просверливаем отверстия диаметром 6 мм под саморезы. Для ступеней мы будем использовать саморезы длиной 30 мм и диаметром 4-5 мм, а для подступенников - 16 мм и того же диаметра. 
У нас уже установлено две ступени и один подступенник и сейчас надо установить второй. 
В данном случае, при попытке поставить подступенник мы обнаруживаем, что он не помещается, его размер чуть больше, чем проем под него. Замеряем, на сколько он выступает. У нас лишними оказываются буквально несколько миллиметров, поэтому снимаем их обычным рубанком. Если необходимо убрать 7 мм и более, то лучше это делать уже лобзиком или ножовкой.

Подогнав подступенник под нужные размеры, устанавливаем его. Теперь смотрим, насколько он плотно прилегает к боковой планке. Если мы видим щель, то делаем следующее: прикладываем уровень, проводим ровную черту и обрезаем торцевой пилой. Если вы уверены в своих столярных навыках, то можно ножовкой. 
Те же самые действия теперь проводим со ступенью. Кладем ее лицевой частью вверх, подгоняем вплотную сначала к подступеннику, проверяем, чтобы не было щелей. Если есть, то убираем. 
Подогнав ступень к подступеннику, смотрим, чтобы она также плотно прилегала и к боковой панели.
Для этого мы и делали запас в 10 см, когда заготавливали доски под ступени.
После того, как ступень полностью подогнана, на ее обратной стороне карандашом отмечаем отверстия под саморезы и сверлом с диаметром 2,5-3 мм высверливаем отверстия под саморезы, которыми впоследствии будем крепить ступень.
Если этого не сделать, то в плотную древесину они просто не войдут.
Когда мы установили все ступени, то необходимо обрезать оставшиеся лишние части и сделать это нужно ровно. Как упростить себе эту задачу?
Сначала измеряем, насколько верхняя ступень выступает от подступенной облицовочной доски. У нас получилось 83 мм. Откладываем эти 83 мм на верхней стороне ступени и отмечаем точкой или чертой.Ступень должна выступать за облицовочную доску на 25-35 мм и при этом соответствовать длине верхней подступенной доски. В нашем случае мы можем сделать выпуск на 32 мм, т.е. мы попадаем в обозначенный выше интервал. 
Отмечаем эти 32 мм на лицевой стороне ступени и замеряем расстояние от этой точки до прилегающей к стене облицовочной доски.
У нас получается ширина ступени в 95 см. 
Эти же 95 см переносим на нижнюю ступень и делаем соответствующую отметку на выступающем за облицовочную доску конце.
С внешней стороны линии, по которой надо будет отпиливать лишнюю часть ступени, вкручиваем саморез.
Поскольку мы эту часть обрежем, то и место вкручивания самореза уйдет в отход. Тоже самое делаем вверху. После этого между верхним и нижним саморезами натягиваем леску и с помощью уголка переносим линию обрезки на каждую ступень.
Таким образом у нас все ступени будут будут обрезаны идеально ровно по одной линии.
Переходим к забежным ступеням. Две из них у меня уже сделаны и установлены, осталась еще одна в форме треугольника. Несмотря на то, что это простая геометрическая фигура, даже с ней возникают определенные сложности. Но к ступени мы вернемся чуть позже.
Начинаем работу с забежными ступенями с того, что обшиваем временными брусками опорный столб.
Брусочки должны точь в точь соответствовать толщине досок, которыми будем обшивать его в конце. Они должны задать геометрию, с которой будем работать. Прикладываем подступенник, можно использовать просто любую дощечку такой же толщины, сейчас нам нужно просто замерить, насколько будет выступать ступень. Для этого к подступеннику прикладываем рейку толщиной 3 см и на пристенной доске отмечаем то расстояние, на которое будет выступать ступень за пределы подступенника.
Для замера самой ступени я настоятельно рекомендую использовать ватман, чтобы сделать шаблон-лекало.
По-другому без серьезных навыков у вас вряд-ли получится сделать, по крайней мере, с первого раза. Начинаем с замера расстояния и угла ступени у боковой панели. Как правило, идеально ровным, в 90 градусов угол не бывает. По уровню или по рейке прочерчиваем линию и отмечаем расстояние, которое ранее отложили на боковой панели. Таким образом, получаем один край ступени. Обрезаем картон по черте и продолжаем разметку нашего шаблона. Обводим с обратной стороны вдоль подступенника и опорного столба. После этого к полученной линии прибавляем 3 см, на которые будет выступать ступень. Проводим эту линию и обрезаем картон. Ступень по полученному шаблону можно изготовить либо в столярном цехе, либо вырезать из щита. Я использовал щит размером 1,2 м на 60 см, наложил на него шаблон, обвел и вырезал.
Накладывать необходимо заходной частью к той стороне щита, вдоль которой идут волокна.
Т.е. угол шаблона должен расходиться из центра листа к одной из сторон листа. Когда будем вырезать, необходимо сделать небольшой припуск, примерно на 5 мм, чтобы иметь возможность точно подогнать ступень, постепенно обрезая лишние участки. Вырезать лучше торцевой пилой. 
После того, как у нас вырезана заготовка ступени, начинаем ее подгонять.
Идеально ровно ее не вырежут даже в цеху, точную подгонку осуществить можно только непосредственно на месте.
Поэтому повторяем все предыдущие процедуры. Берем реечку в пределах нашего 5-ти миллиметрового запаса и поочередно начинаем обрезать стороны, сначала ту, что прилегает к боковой панели, потом - к подступеннику.
Выравнивающую обрезку производим при помощи фрезера.
Последним обрезаем часть ступени, на которой будет крепиться столб, делаем отверстие, через которое будет крепиться болт. Сделанный по чертежам столб, ставим и размечаем вырез в ступени и подступеннике. Вырез делается до уголка и столб должен топиться в ступени. 
Точно таким же образом делаются средняя и нижняя забежные ступени. Начинаем с изготовления шаблона, прикладывая лист картона поочередно к каждой стороне, обрезая и вновь прикладывая.
Не забываем, что ступень должна выступать на 5 см от уголка или на 3 см от подступенной доски.
И еще раз напоминаю, что обрезка ступени в ее забежной части должна производиться вдоль волокон. В противном случае заготовка будет просто испорчена. И все размеры ступеней, разумеется, должны изготавливаться в соответствии с чертежом. 
В этой части видео вы можете посмотреть, как с помощью маленького фрезера можно выровнять доску, которую мы обрезали лобзиком и из-за чего эта сторона получилась неровной.
Нам нужно убрать 7 мм. Расстояние от края фрезы до торца - 57 мм, соответственно, мы от черты, по которой нужно сделать обрезку, откладываем 50 мм, крепим направляющую и выбираем ненужную часть фрезером. Таким образом мы выровняли неровно обрезанный торец. Пока мы завершаем сборку деревянных элементов металлической лестницы, вырезаем уголки, закрывающие швы между внешней боковой панелью и внутренними выступающими сторонами ступеней и подступенников, может пройти 2-4 дня. За это время дерево может подсохнуть, осесть.
Надо проверить, не покоробило ли внешнюю панель в тех или иных местах.
Используем для этого уровень, прикладываем и смотрим, если немножко повело, то слегка прижимаем и панель должна встать на место, проверяем плотность прилегания подступенников, чтобы они до конца подходили к пристенной доске, прижимаем и проводим карандашом линию. Линию можно сделать немного с углублением, чтобы после того как отрезали, эта часть не торчала. Потом она будет облицовываться уголком. 
После того, как мы разобрали лестницу перед покрытием лаком, проверяем все деревянные детали на сколы, всевозможные отслаивания, лощения, которые могли возникнуть в процессе монтажа и обрезки. Всё это надо устранить. Берём обычную шпаклевку по дереву и с помощью шпателя проходим все места где появились лощения и отслаивания. Сначала проходим все грубые места и оставляем на просушку. Затем все поверхности окончательно выравниваем шлифмашинкой.
Проверяем все ступени и подступенники и шлифуем их перед покрытием лаком.
Шаг 6. Установка балясин и поручня. Как правильно крепить балясины к лестнице.

Начинаем устанавливать столбы и балясины лестницы на второй этаж. Начинаем с того, что к снятой ступени с обратной стороны крепим столб. 
Для этого используем саморез 10 мм диаметром и 80 мм в длину. Жестко притягиваем столб к ступени и закрепляем ее на металлический каркас лестницы. Проверяем положение столба по уровню. 
Теперь можно начинать устанавливать балясины. Их мы крепим на винты диаметром 6 мм и длиной 80 мм, также используем шайбочки.
Каждую установленную балясину проверяем по уровню.

Для временной фиксации балясин используем струбцины, стягиваем все установленные балясины между собой рейкой и вновь проходим каждую балясину с уровнем, чтобы проверить, не сбилось ли их положении при стяжке. Убедившись, что все балясины установлены правильно, делаем метки карандашом по каждой из них: отмечаем положение балясин на планке, имитирующей перила, а также на самой балясине - под каким углом мы будем ее обрезать.
Обрезать надо будет только торцевой пилой и никак иначе.
Сняв и обрезав балясины, вновь их выставляем с помощью использовавшейся ранее планки.
Вновь все проверяем уровнем.
После этого можно крепить подперильную планку. Если не проконтролировать уровень, то планка будет гулять и перила ровно не лягут. 
Закрепив подперильную планку, кладем на нее перила, сам поручень и крепим его с обратной стороны винтами. 
Теперь наша лестница в доме готова в ее первой предварительной сборке.
Шаг 7. Покрытие байцем и лаком.

Для покрытия лаком всех деревянных элементов лестницы нам понадобятся:
- компрессор на 250 литров в минуту;
- лак фирмы (я использую “Рейлер”);
- растворитель (той же фирмы, что и лак);
- маска с собранными фильтрами, маркированными коричневой полосой и предназначенными для защиты от паров бензина, керосина и т.п.;
- абразивная губка с зернистостью 120-180, чтобы зачистить поверхность элементов деревянной конструкции;
- байтс (морилка), если необходимо придать дереву тональность.

Шкурим.
Я обычно использую обычную морилку. Ее преимущество в том, что она не оставляет пятен и хорошо растирается, однако сохнет она дольше, не менее суток и только потом можно начинать покрывать лаком.
Балясины мы окрашиваем, подвесив их на предварительно вбитые гвозди. Вращая, покрываем их струей лака. 

Плотность подачи раствора регулируем экспериментально: давление в компрессоре составляет 8 атмосфер, а после редуктора около 2 атмосфер.
Перед началом покраски можно несколько раз попробовать, как это будет выглядеть, сделать образцы, отрегулировать и уже после этого начинать наносить морилку.
И, конечно, перед началом нанесения морилки и лака, все деревянные части лестницы надо зачистить, чтобы не было ворса. Ступени можно не подвешивать, а красить на столе или другой ровной поверхности.Вот, собственно, и все. Осталось только вновь собрать лестницу, и она будет долго служить вам!Если же вы все еще сомневаетесь, по плечу ли вам эта работа или вы не уверены. что располагаете необходимым временем на выполнение всех работ самостоятельно, то мы будем рады вам помочь! С ассортиментом и расценками на лестницы, которые мы проектируем и монтируем, вы можете ознакомиться в этом разделе нашего сайта. Там же вы сможете почерпнуть идеи и для своего собственного проекта, если вы решительно настроились сделать СВОЮ лестницу.Если вам интересно еще подробнее узнать, как мы проектировали именно эту лестницу или научиться на данном примере проектированию лестниц, то смотрите это видео.
Также Вы можете проверить свои расчеты и получить совет по улучшению степени комфортности лестницы с помощью нашего онлайн калькулятора:
Онлайн калькулятор расчета размеров лестницы
ЗЛМК